Building Management System
-
인력절감과 관리의 효율화
· 소수 정예 인원으로 건물 설비
운영
· 데이터를 활용하여 질 높은 관리
실현 -
최적환경 유지 및 향상
· 온도, 습도, 먼지, CO2등의
공기 질과 조명에 이르기까지
최적의 상태로 유지 -
에너지 절약
· 높은 효율 운전
· 자원과 에너지의 낭비를 방지 -
안전의 확보
· 정전, 화재 시 적절한 대응으로
피해를 최소화
· 방범, 방재의 통합 -
건물 이용자의 편리성 향상
· 각각의 설비를 통합하여 서비스
제공
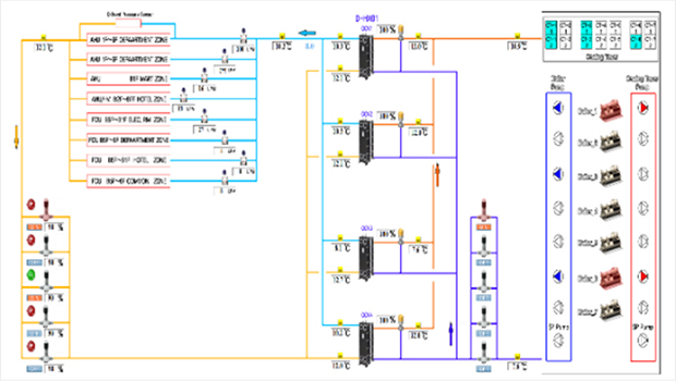
설비 자동제어
빌딩 내 공조설비, 위생설비, 환기설비를 DDC를 이용하여 자동제어 함으로써 24시간 최상의 환경을 완벽하게 제공하며, 빌딩 유지관리 측면의
효율적 운영과 에너지 절감에 기여하는 시스템으로 구성.
또한 쾌적한 쇼핑환경 및 근무환경을 제공함으로서 고객 및 입주사 만족을 유도하는 가장 중요한 시스템이므로 시스템 제어기능이 우수한
시스템으로 구성.
전력 자동제어
빌딩 내 수, 변전 설비의 제어 System을 통하여 전력 설비의 고장 및 전력/전류/전압 등을 중앙에서 감시/제어하며 BMS system과의
Interface를 통하여 효율적인 에너지 관리가 가능토록 구성
현장 적용 제품
Schneider Electric
Automated Logic
Web CTRL










